www.xzjt.com
网站首页
公司简介
产品与技术
资讯动态
服务支持
客户反馈
联系我们
产品分类快速导航
旋转接头
H型水介质旋转接头
Q型蒸汽介质旋转接头
D型混合介质旋转接头
高温导热油旋转接头
行业专用旋转接头
多通路旋转接头
旋转接头配件
金属软管
波纹补偿器
上海产品
新闻中心
·关于我公司在网上发布产品宣
·金旋公司2016春节放假通
·金旋公司2015年国庆节放
·看准工业4.0,上海金旋投
·祝贺金旋公司建厂二十周年(
·旋转接头安装使用说明
详细说明
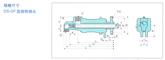
DS-G/DS-GF双向内管固定型旋转接头
结构特点
空心轴(10)通过螺纹或法兰连接到辊子或辊筒上,为主要的旋转部件,与设备作同步运动。密封环(7)与空心轴和波纹补偿器(5)共同组成浮动的双端面密封摩擦副,有利于减小由于大、重设备同心度而带来的密封性不好等缺点。密封环由经过侵渍的碳石墨制成,具有良好的自润滑性,从而降低摩擦和磨损,提高了使用寿命;密封环磨损后,由波纹补偿器借助于弹簧的压力随时得到补偿。轴承(12)的使用一方面起支撑作用,同时又提高了旋转精度,降低了摩擦扭矩。另外,壳体上设有观察孔,通过观察孔可随时观察到密封环的磨损及密封情况。
使用参数
最高转速:500RPM
最高温度:200℃
最高压力:1.8MPa
适用介质:水、蒸汽、油、空气。
注意:随转速、温度、压力的不同,使用极限值也不相同。
特殊情况欢迎来电垂询
订货信息
应包括以下方面:
1.完整的编号——可识别旋转接头型号、结构、规格、尺寸。
DS-G—端面密封结构,双向内管固定螺纹连接式;
DS-GF—端面密封结构,双向内管固定法兰连接式。
2.若订购螺纹连接式旋转接头,请注明空心轴螺纹的左、右旋向。
3.旋转接头的使用必须配用金属软管。
4.订购时,应根据应用情况,配备一定数量的易损件——密封环。
5.特殊要求请注明。
【打印】
【关闭】
公司公告:
金旋公司生产的所有产品自发货之日起,在360天内若出现产品自身质量问题,我公司将负责免费维修或调换
版权所有:滕州市金旋波纹管有限责任公司 网站备案号:
鲁ICP备19051979号-2
销售热线: 0632-5553666 5553777 5553888 5553999 5585138 5699055 传真:0632-5586527