旋转接头
旋转接头
旋转接头
旋转接头
旋转接头
旋转接头
旋转接头
旋转接头
产品分类快速导航
旋转接头
H型水介质旋转接头
旋转接头
Q型蒸汽介质旋转接头
旋转接头
D型混合介质旋转接头
旋转接头
高温导热油旋转接头
旋转接头
行业专用旋转接头
旋转接头
多通路旋转接头
旋转接头
旋转接头配件
旋转接头
新闻中心
旋转接头
详细说明

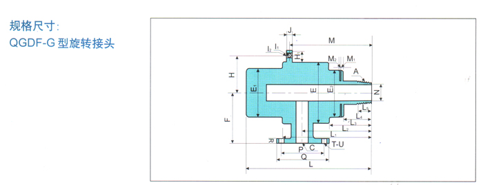
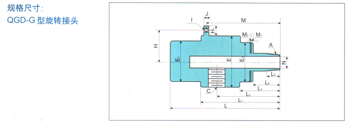
QGD-G/QGDF-G单向型旋转接头

 
结构特点:
1.先进的内外双弹簧补偿,使旋转接头在使用寿命和稳定方面大大提高。
2.热油或其他流体介质流经旋转接头时,由侵渍石墨为材质的密封环及无油轴承有自润滑性,因此,无需润滑,极少保养。
3.在不同使用条件下,零部件采用不同材料和表面镀层,使之得到不同的旋转类型,具有更宽的适用领域和最长的使用寿命。
客户如需详细资料,请与我公司联系。
 
使用参数
最高转速:100RPM
最高温度:343℃
最高压力:1.8MPa(标准型)
          3.5MPa(加重型)
适用介质:高温油、(蒸汽、冷凝水、水)。
注意:随转速、温度、压力的不同,使用极限值也不相同。
特殊情况欢迎来电垂询
 



 
订货信息
应包括以下方面:
1.完整的编号—可识别旋转接头型式、结构、规格、尺寸。
QGD-G——单向流通螺纹连接,自撑式旋转接头的标准型;
QGDF-G——法兰单向流通螺纹连接,自撑式旋转接头的标准型;
QGD-F——单向流通法兰连接,自撑式旋转接头的标准型;
QGDF-G——法兰单向流通法兰连接,自撑式旋转接头的标准型;
2.若订购螺纹连接式旋转接头,请注明外管体螺纹的左、右旋向。
3.请说明材料及镀层
球墨铸铁端盖和壳体——标准型
化学镀镍的端盖和壳体——适用于蒸汽、冷凝液、水。
4.旋转接头的使用必须配用金属软管
5.特殊要求请注明。
    
     公司公告:金旋公司生产的所有产品自发货之日起,在360天内若出现产品自身质量问题,我公司将负责免费维修或调换
版权所有:滕州市金旋波纹管有限责任公司  网站备案号:鲁ICP备19051979号-2
销售热线: 0632-5553666  5553777  5553888  5553999  5585138  5699055   传真:0632-5586527