旋转接头
旋转接头
旋转接头
旋转接头
旋转接头
旋转接头
旋转接头
旋转接头
产品分类快速导航
旋转接头
H型水介质旋转接头
旋转接头
Q型蒸汽介质旋转接头
旋转接头
D型混合介质旋转接头
旋转接头
高温导热油旋转接头
旋转接头
行业专用旋转接头
旋转接头
多通路旋转接头
旋转接头
旋转接头配件
旋转接头
新闻中心
旋转接头
详细说明

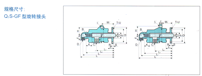
Q1S-G/Q1S-GF双向内管固定型旋转接头

 
结构特点:
其为Q型系列旋转接头的派生类型,结构更简单、体积更小、重量更轻、密封性能稳定、维护方便,也是同类产品中应用最广泛的一种。其结构为外观体(5)直接接到辊子或烘筒上,为主要的旋转部件,经过精加工的外管体球面,底盖(8)和浸渍碳石墨球面密封环(6)共同组成密封可靠的动密封摩擦副,球面密封环在其壳体(2)内的环形空间中滑动,加之无油轴承(4)与壳体的紧密配合,使旋转接头自由支撑,故对装机精度要求不高,球面密封环磨损后,借助于弹簧(3)的预压力随时得到补偿,补偿时壳体缓缓向后移动,并可通过外管体的刻线观察到密封件的磨损程度,当蒸汽、水或其他介质流经球面密封环和无油轴承时,形成一层很薄的液膜,提供密封和润滑,从而减轻了摩擦和磨损,延长了使用寿命。
 
使用参数
最高转速:100RPM
最高温度:220℃
最高压力:1.8MPa
适用介质:水、热水、蒸汽、导热油等
注意:随转速、温度、压力的不同,使用极限值也不相同。
特殊情况欢迎来电垂询
 



 
订货信息
应包括以下方面:
1.完整的编号—可识别旋转接头型式、结构、规格、尺寸。
Q1S-G——球面密封派生结构,双向流通内管固定螺纹连接式;
Q1S-GF——球面密封派生结构,双向流通内管固定法兰连接式。
2.若订购外管或螺纹连接式旋转接头,请注明其轴螺纹的左、右旋向。
3.旋转接头的使用必须配用金属软管
4.订购时,应根据应用情况,配备一定数量的易损件——球面密封环。
5.特殊要求请注明。
    
     公司公告:金旋公司生产的所有产品自发货之日起,在360天内若出现产品自身质量问题,我公司将负责免费维修或调换
版权所有:滕州市金旋波纹管有限责任公司  网站备案号:鲁ICP备19051979号-2
销售热线: 0632-5553666  5553777  5553888  5553999  5585138  5699055   传真:0632-5586527